
地 址:上海市金山區興塔工業區
咨詢電話:021-57362601
圖文傳真:021-33250343
電子郵箱:hanyuev@126.com
網 址:http://m.shanghaijq.com
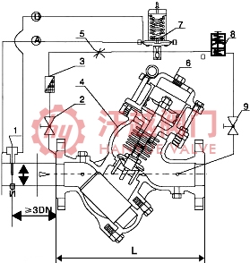
YQ980012型過濾活塞式可調減壓流量控制閥是一種穩定閥后壓力同時控制流量不大于設定量大值的自控閥門,這種穩定不受閥前供水系統流量及壓力變化的影響,然而當閥前流量小于設定值時,主閥全開,不會增加流量,其由畢托管傳遞壓差信號給限流導閥,限流導閥和針閥執行兩路控制,通過限流導閥調節摞栓的調節,使閥后流量達到設定值,通過減壓導閥調節摞栓的調節,來控制主閥上游壓力,活塞下腔有節流孔與下游相通,可緩沖閥門的關閉,主閥兩端壓力差是閥門啟閉的驅動能源。本產品適用于給排水、消防、空調和各類工礦企業等供水管網中需要過濾又要穩定閥后壓力并對流量實現控制的場所和工況。
YQ980012型過濾活塞式可調減壓/流量控制閥由主閥、針閥、球閥、過濾器、畢托管、限流和減壓導閥等組成,是一個閥能對閥后壓力和流量同時實現控制,并對介質可以過濾。其畢托管向極敏感的限流導閥傳遞壓差信號,無需孔板孔口節流,無壓力損失,節能,它只需通過調節摞栓對減壓導閥和限流導閥進行調節,就能對下游壓力和流量實現設定值的控制,操作簡單且準確。該閥Y形寬體閥腔,流阻小,抗汽蝕性強,無噪音,且靠介質自身壓力自控,無需外供驅動源。本產品主閥體的進口法蘭與閥座之間設置了過濾器,從而節省了投資成本和安裝費用,而且內外表面均噴涂環保涂層,確保了產品的防腐蝕及安全性。
序號 | 部件名稱 | 材料名稱 | ||||
1 | 閥 體 | QT450 | WCB | CF8 | CF8M | CF3M |
2 | 閥 蓋 | QT450 | WCB | CF8 | CF8M | CF3M |
3 | 閥 座 | ZCuAl10Fe3 | ZCuAl10Fe3 | CF8 | CF8M | CF3M |
4 | 閥 瓣 | Q235B+NBR | Q235B+NBR | 304+NBR | 316+NBR | 316L+NBR |
5 | 閥 桿 | 2Cr13 | 2Cr13 | 06Cr19Ni10 | 06Cr17Ni12Mo2 | 022Cr17Ni12Mo2 |
6 | 密 封 圈 | NBR/EPDM | NBR/EPDM | NBR/EPDM | NBR/EPDM | NBR/EPDM |
7 | 活 塞 | 06Cr19Ni10 | 06Cr19Ni10 | 06Cr19Ni10 | 06Cr17Ni12Mo2 | 022Cr17Ni12Mo2 |
8 | 彈 簧 | 06Cr19Ni10 | 06Cr19Ni10 | 06Cr19Ni10 | 06Cr17Ni12Mo2 | 022Cr17Ni12Mo2 |
9 | 過 濾 器 | ZCuAl10Fe3 | ZCuAl10Fe3 | CF8 | CF8M | CF3M |
10 | 球 閥 | ZCuAl10Fe3 | ZCuAl10Fe3 | CF8 | CF8M | CF3M |
11 | 針 閥 | ZCuAl10Fe3 | ZCuAl10Fe3 | CF8 | CF8M | CF3M |
12 | 減壓導閥 | ZCuAl10Fe3 | ZCuAl10Fe3 | CF8 | CF8M | CF3M |
13 | 限流導閥 | ZCuAl10Fe3 | ZCuAl10Fe3 | CF8 | CF8M | CF3M |
公稱壓力PN(MPa) | 1.0 | 1.6 | 2.0 | 2.5 | 4.0 |
殼體強度試驗壓力(MPa) | 1.5 | 2.4 | 3.0 | 3.75 | 6.0 |
高壓液密封試驗壓力(MPa) | 1.1 | 1.76 | 2.2 | 2.75 | 4.4 |
低壓氣密封試驗壓力(MPa) | 0.6 | 0.6 | 0.6 | 0.6 | 0.6 |
流量調節范圍 | 0.5m/s ~ 5m/s | ||||
連接法蘭 | GB/T 17241.6-2008、JB/T 79-2015、GB/T 9113-2010、ASME B16.5-2017等 | ||||
壓力試驗 | GB/T 13927-2008、API 598-2016 | ||||
適用介質 | 清水或物理化學性質類似于水的介質 | ||||
工作溫度 | 0℃ ~ 80℃ | ||||
公稱壓力 PN | 公稱通徑 DN | 尺寸mm | |||||
L | D | K | R | C-f | n-?d | ||
16 | 50 | 250 | 160 | 125 | 100 | 16-3 | 4-18 |
65 | 280 | 180 | 145 | 120 | 18-3 | 4-18 | |
80 | 335 | 195 | 160 | 135 | 20-3 | 8-18 | |
100 | 380 | 215 | 180 | 155 | 20-3 | 8-18 | |
125 | 425 | 245 | 210 | 185 | 22-3 | 8-18 | |
150 | 480 | 280 | 240 | 210 | 24-3 | 8-23 | |
200 | 570 | 335 | 295 | 265 | 26-3 | 12-23 | |
250 | 650 | 405 | 355 | 320 | 30-3 | 12-25 | |
300 | 740 | 460 | 410 | 375 | 30-4 | 12-25 | |
350 | 810 | 520 | 470 | 435 | 34-4 | 16-25 | |
400 | 860 | 580 | 525 | 485 | 36-4 | 16-30 | |
表中只列出了部分JB/T 79-2015標準PN16法蘭連接外形尺寸。如需其他規格尺寸,請咨詢汗越閥門技術部! | |||||||

如果你需訂購我廠水力控制閥產品,咨詢時煩請說明公稱尺寸、公稱壓力、主閥和元件材料要求等。本產品流量范圍可在0.5m/s ~ 5m/s內進行調節。
網站首頁